全球最实用的IT互联网信息网站!
AI人工智能P2P分享&下载搜索网页发布信息网站地图
AI与区块链的融合将带来时代的剧变
阅读全文2017-12-14
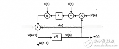
自适应滤波算法理解与应用
lms算法基本思想及原理
电机V/F曲线
机器学习之理解支持向量机SVM
python/pandas数据代码分析
2018年AI技术将全面入侵任意领域
国内自动化公司排名
2017年半导体设备销售额增长35.6%达559亿
比特币区块链详解
Windows 系统下 Unity MCP 配置全攻略:从零开
华为云Flexus+DeepSeek征文|探索企业级AI捷
“恒峰国际”完成1亿美金融资,推出区块
谷歌正式发布Gemini 2.0 性能提升近两倍
CPU | 内存 | 硬盘 | 显卡 | 显示器 | 主板 | 电源 | 键鼠 | 网站地图
Copyright © 2025-2035 诺佳网 版权所有 备案号:赣ICP备2025066733号 本站资料均来源互联网收集整理,作品版权归作者所有,如果侵犯了您的版权,请跟我们联系。